Mineral mapping in a Stromboli volcanic rock

Publication date
Monday, 19 Dec 2016
Body
Image

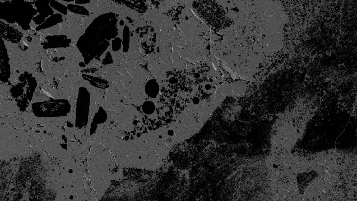
The image above shows the mineral distribution in a rock ejected from Mt Stromboli, Italy, collected using the FEI Quanta QEMSCAN® at CAM.

To ensure the correct identification of the minerals by QEMSCAN, a multi-modal approach is used combining information collected  through EDS/WDS microanalysis as well as X-ray diffraction techniques. As is evident from the QEMSCAN mineral map, this rock retains a complex history of melting and remelting as they come into contact with basaltic melt (above). The power of QEMSCAN has been to map the residual materials and products in these complex settings on a scale and at a resolution not previously possible. QEMSCAN can provide modal mineral fractions as well as providing a more immediate understanding of mineral associations.

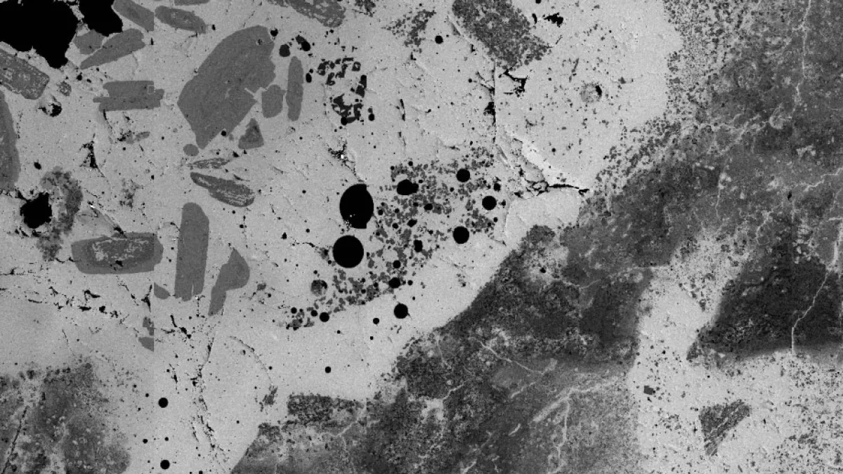
Most of what the QEMSCAN mineral map shows is the progressive loss of cations to leave behind a residue of simple aluminium and silicon oxide minerals such as mullite and corundum trapped inside a glass. What was more surprising was that the glass is littered with tiny spherules of copper and iron sulfides. The sulfide distribution extracted from the QEMSCAN map (below) clearly shows just how many there are and where they are throughout the glass.

Image
stomboli

Sulphide distribution in a sample from Mount Stromboli

It is also possible to extract individual elemental maps if required (see gallery).

Information and images provided by Dr Penny King, Dr Dick Henley, Research School of Earth Sciences, ANU